上海清关公司分享:进口牙刷及口腔器具新标准分析
牙刷及口腔器具是人们日常用于口腔清洁护理的一系列产品。根据海关统计数据,2021年我国牙刷进口量为3.55亿支。进口牙刷自2018年进入法检目录以来,因磨毛、单丝弯曲恢复率等项目不合格导致的销毁、退运处置频频发生,受到广泛关注。2022年1月1日,GB 39669-2020《牙刷及口腔器具安全通用技术要求》正式实施,给我国进口牙刷及口腔器具的合规性提出了新的要求。
一
产品分类
(一)牙刷
1.按适用人群分:成人牙刷和儿童牙刷。其中,儿童指14周岁以下(含14周岁)的人群。
2.按生产工艺分:注胶毛牙刷和植毛牙刷。植毛牙刷按刷毛顶端处理工艺分类,包含但不限于磨毛牙刷、磨尖丝牙刷。磨毛牙刷指刷毛顶端经过处理去除锐角、尖刺的牙刷,磨尖丝牙刷指刷毛尖端呈圆锥形的牙刷。


图示 磨毛牙刷 图示 磨尖丝牙刷
3.按驱动方式分:电动牙刷和手动牙刷。
(二)口腔器具
牙间刷、冲(洗)牙器、舌刮器 、牙签、牙线、牙线棒、婴幼儿磨牙器具等。
二
新旧标准主要技术变化
GB 39669-2020 《牙刷及口腔器具安全通用技术要求》代替GB 19342-2013《牙刷》、GB 30002-2013《儿童牙刷》、GB 30003-2013《磨尖丝牙刷》中涉及安全的强制性内容,主要技术变化如下:
(一)沿用的强制性项目
1.有害元素
2.磨尖丝刷毛pH
3.牙刷毛束拉力和颈部抗弯力
4.儿童牙刷刷头
5.牙刷刷毛安全性(磨毛)
(二)新增的强制性项目
1.邻苯二甲酸酯增塑剂
2.木制、竹制牙签中二氧化硫浸出量
3.牙刷刷毛安全性(其他刷毛安全性)
4.牙刷电安全要求
5.电动牙刷植毛块牢固度
6.电动牙刷耐化学性能
7.儿童电动牙刷可拆卸零部件
(三)沿用但具体要求有变化的强制性项目
1.牙刷刷毛安全性(磨尖丝)
2.边缘、尖端
3.儿童用牙刷及口腔器具饰件
(四)强制性转为推荐性的项目
1.牙刷单丝弯曲恢复率
2.部分卫生要求
三
质量安全风险项目
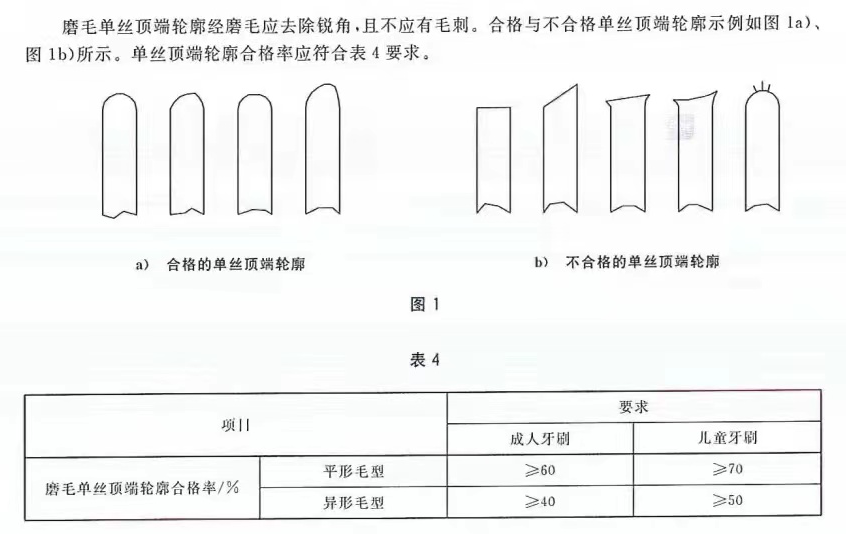
(一)磨毛

(二)邻苯二甲酸酯增塑剂

(三)儿童电动牙刷可拆卸零部件
(四)儿童用牙刷及口腔器具饰件
四
合规建议
(一)建议企业加强GB 39669-2020标准的学习,电动牙刷及口腔器具应关注新增的检测项目,普通牙刷应重点关注进口国与我国技术法规差异。
(二)建议企业加强新材质、新工艺牙刷和口腔器具的质量管理,提升合规水平。
以上内容仅供参考,转载请注明来源“12360海关热线”
图片源自网络
供稿单位:海关总署国际检验检疫标准与技术法规研究中心(暨中华人民共和国WTO/TBT-SPS国家通报咨询中心)、上海海关